Ig-nv series
Manual version – flow oriented at 90° – with check valve – p.max 500 bar
Technical characteristics
Connection type
Fillets interior female ed shaped elements
Attachment equipment to test
Column FA of the dimensional table
Hose connection
Column UNSCRUPULOUS of the dimensional table
Drive
Push-pull Manual
Material
Stainless steel
Exercise Pressure
0-500 bar
Central Conduit
With integrated check valve
Specifications
Additional safety system against involuntary disconnection, double actuation ring, internal pressure compensation chamber, 90° inlet
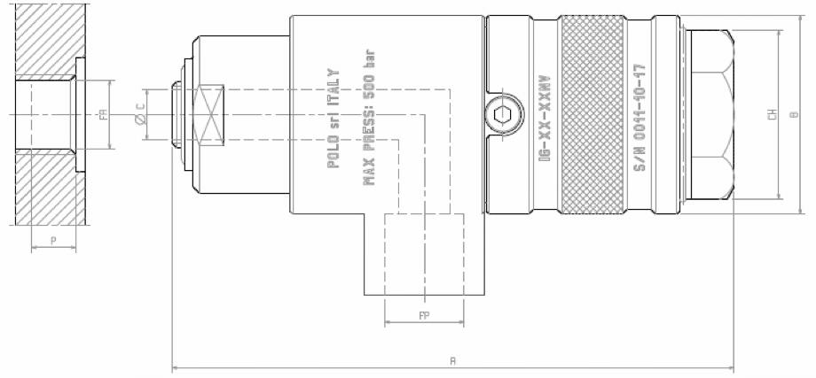
Size chart
(indicative measurements, in mm)
| CODE | A | UNEXPECTED | UNGAUGED | UNSCRUPULOUS | UNBOUNDED | FA(*) | VANDALISM | WEIGHT (Kg) |
|---|---|---|---|---|---|---|---|---|
| IG-18-14NV | 93 | 33 | 24 | 1/4′′G | 3.5 | 1/8′′G | 4 | 0.25 |
| IG-14-14NV | 93 | 33 | 24 | 1/4′′G | 5 | 1/4′′G | 6.5 | 0.25 |
| IG-38-38NV | 108 | 42 | 30 | 3/8”G | 7 | 3/8”G | 7 | 0.33 |
| IG-12-12NV | 115 | 50 | 36 | 1/2′′G | 10 | 1/2′′G | 10 | 0.52 |
| IG-34-34NV | 120 | 55 | 41 | 3/4′′G | 14 | 3/4′′G | 13 | 0.67 |
| IG-1-1NV | 130 | 65 | 46 | 1”G | 17.5 | 1”G | 15 | 0.80 |
The graft connection and disconnection steps can only be carried out when the working pressure is zero.